- Rohde AG | Griffe aus Aluminium, Edelstahl und Kunststoff

Rohrverbinder für ø48,3 mm

Rohrverbinder RV

Werkstoff
Kokillenguss aus hochwertiger Aluminiumlegierung nach DIN 1725.

Lieferumfang
Die Rohrverbinder werden geliefert mit Schrauben und Hülsenmuttern aus Edelstahl (Werkstoff Nr. 1.4301).

Sonderausführung
Andere Durchmesser auf Anfrage.

Farbe/Oberfläche Oberflächen-Code
Roh * -0.0
Trommel-poliert * -1.0
Hochglanz-poliert * -1.1
Gleitgeschliffen, mattiert und techn. eloxiert * -2.0
Poliert und eloxiert * -2.1
Pulverbeschichtet * -3-RAL…

Varianten

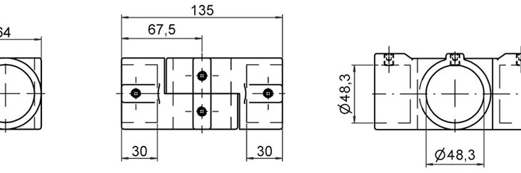
Winkel-Verbinder 90°, 2-schalig

Silberner, 90 Grad Winkel-Verbinder aus Metall mit drei Schrauben, isoliert auf weißem Hintergrund
Technische Zeichnung eines zweischaligen 90° Rohr-Winkelverbinders mit detaillierten Maßen und Ansichten
Bestell-Nr.: RV-5045 Anfrage

Winkel-Gelenkverbinder, 1-schalig

Ein-schaliger Winkel-Gelenkverbinder aus Metall zur Verbindung von zwei Rohren, bestehend aus zwei drehbar verbundenen zylindrischen Teilen mit Schraube
Technische CAD-Zeichnung eines 1-schaligen Winkel-Gelenkverbinders mit angegebenen Maßen und drei Ansichten
Bestell-Nr.: RV-5114 Anfrage

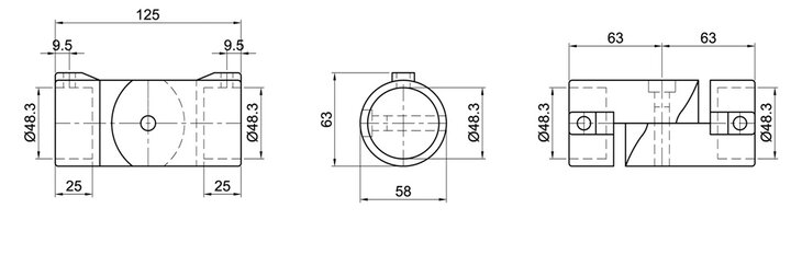
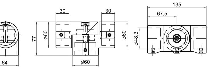
Eck-Verbinder 90°, 1-schalig

Technische Zeichnung eines Eck-Verbinders mit 90 Grad Winkel und Rohrdurchmesser 48,3 mm in drei Ansichten
Bestell-Nr.: RV-5042 Anfrage

Kreuz-Verbinder, 2-schalig

Bestell-Nr.: RV-5041 Anfrage

Kreuz-Gelenkverbinder, 1-schalig

Bestell-Nr.: RV-5022a Anfrage

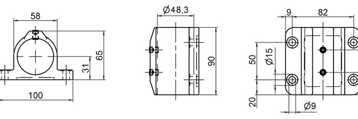
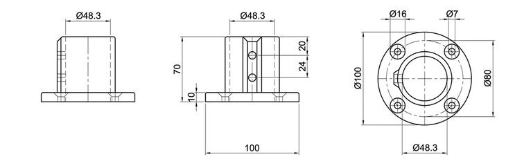
Bodenlager, 1-schalig

Technische Zeichnung eines einlagigen Bodenlagers mit Vorder-, Seiten- und Draufsicht und maßlichen Angaben
Bestell-Nr.: RV-5043 Anfrage

T-Verbinder, 2-schalig

Silberner, zweischaliger T-Verbindungsrohrhalter aus Metall mit zwei Schrauben
Bestell-Nr.: RV-5040 Anfrage

T-Gelenkverbinder, 1-schalig

Hellgrauer T-Gelenkverbinder aus Metall mit drei zylindrischen Rohren und Schrauben
Bestell-Nr.: RV-5021a Anfrage

Wandlager, 1-schalig

Metallisches ein-schaliges Wandlager mit zylindrischer Rohraufnahme und rechteckiger Grundplatte mit Bohrlöchern
Bestell-Nr.: RV-5044 Anfrage

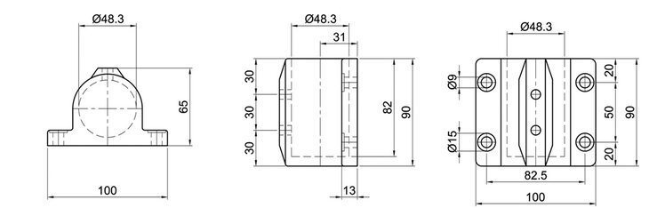
Wandlager, 1-schalig

Ein-schaliges silberfarbenes Wandlager aus Metall zur Befestigung eines Rohrs an der Wand mit vier Schraubenlöchern
Technische Zeichnung eines einlagigen Wandlagers mit Abmessungen in Vorder-, Seiten- und Draufsicht
Bestell-Nr.: RV-5044a Anfrage

Contact us

Halder USA

17025 W Rogers Dr.

New Berlin, WI 53151

United States of America

T +262-521-2050

M +262-214-3707

sales@halderusa.com 

www.halderusa.com